"vscode:/vscode.git/clone" did not exist on "c7e31961c4e13544c6f2855a5fcd0ea628c560de"
Commit 04e4e763 authored by yaoht's avatar yaoht
Browse files

add README

parent f715c5c2
Pipeline #688 failed with stages
in 0 seconds
# YoloX
## 论文
https://arxiv.org/abs/2107.08430
## 模型结构
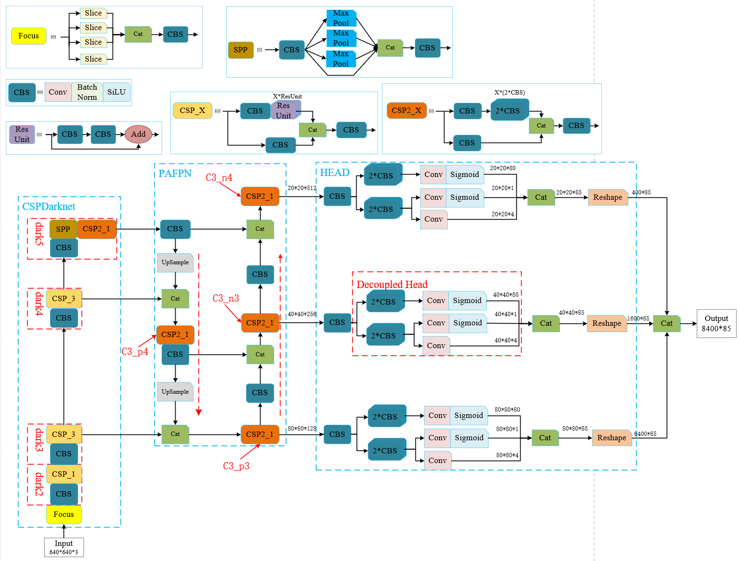
YoloX是一种单阶段目标检测算法,该算法以YoloV3(Darknet53作为backbone)作为基线,在Decoupled Head,Data Aug,Anchor Free 和样本匹配(SimOTA)添加了一些新的改进思路,使其速度与精度都得到了极大的性能提升。
<img src=./Doc/yolox_model.png style="zoom:100%;" align=middle>
## 算法原理
YOLOx算法的改进简单总结主要有三点,decoupled head、anchor-free以及advanced label assigning strategy(SimOTA)。
## 环境配置
### Docker(方法一)
拉取镜像:
```shell
docker pull image.sourcefind.cn:5000/dcu/admin/base/migraphx:4.0.0-centos7.6-dtk23.04.1-py38-latest
```
创建并启动容器:
```shell
docker run --shm-size 16g --network=host --name=yolox_migraphx --privileged --device=/dev/kfd --device=/dev/dri --group-add video --cap-add=SYS_PTRACE --security-opt seccomp=unconfined -v $PWD/yolox_migraphx:/home/yolox_migraphx -it <Your Image ID> /bin/bash
# 激活dtk
source /opt/dtk/env.sh
```
### Dockerfile(方法二)
```shell
cd ./docker
docker build --no-cache -t yolox_migraphx:2.0 .
docker run --shm-size 16g --network=host --name=yolox_migraphx --privileged --device=/dev/kfd --device=/dev/dri --group-add video --cap-add=SYS_PTRACE --security-opt seccomp=unconfined -v $PWD/yolox_migraphx:/home/yolox_migraphx -it <Your Image ID> /bin/bash
# 激活dtk
source /opt/dtk/env.sh
```
## 数据集
根据提供的样本数据,进行目标检测。
## 推理
### Python版本推理
下面介绍如何运行Python代码示例,Python示例的详细说明见Doc目录下的Tutorial_Python.md。
#### 设置环境变量
```shell
export PYTHONPATH=/opt/dtk/lib:$PYTHONPATH
```
#### 安装依赖
```shell
# 进入python示例目录
cd <path_to_yolox_migraphx>/Python
# 安装依赖
pip install -r requirements.txt -i https://pypi.tuna.tsinghua.edu.cn/simple
```
#### 运行示例
YoloX模型的推理示例程序是yolox_infer_migraphx.py,使用如下命令运行该推理示例:
1. 静态推理
```shell
python yolox_infer_migraphx.py --staticInfer
```
### C++版本推理
下面介绍如何运行C++代码示例,C++示例的详细说明见Doc目录下的Tutorial_Cpp.md。
#### 构建工程
```shell
rbuild build -d depend
```
#### 设置环境变量
将依赖库依赖加入环境变量LD_LIBRARY_PATH,在~/.bashrc中添加如下语句:
```shell
export LD_LIBRARY_PATH=<path_to_yolox_migraphx>/depend/lib64/:$LD_LIBRARY_PATH
```
然后执行:
```shell
source ~/.bashrc
```
#### 运行示例
YoloX示例程序编译成功后,执行如下指令运行该示例:
```shell
# 进入yolox migraphx工程根目录
cd <path_to_yolox_migraphx>
# 进入build目录
cd build/
```
1. 静态推理
```shell
./YOLOX 0
```
## result
### Python版本
静态推理:
python程序运行结束后,会在当前目录生成YOLOX静态推理检测结果可视化图像。
<img src="./Resource/Images/image_test_python.jpg" alt="Result" style="zoom: 50%;" />
### C++版本
静态推理:
C++程序运行结束后,会在build目录生成YOLOX静态推理检测结果可视化图像。
<img src="./Resource/Images/Result.jpg" alt="Result" style="zoom:50%;" />
### 精度
## 应用场景
### 算法类别
`目标检测`
### 热点应用行业
`交通`,`教育`,`化工`
## 源码仓库及问题反馈
https://developer.hpccube.com/codes/modelzoo/yolox_migraphx
## 参考资料
https://github.com/Megvii-BaseDetection/YOLOX
#模型唯一标识符
modelCode=506
#模型名称
modelName=yolox_migraphx
#模型描述
modelDescription=YoloX是一种单阶段目标检测算法,该算法以YoloV3(Darknet53作为backbone)作为基线,在Decoupled Head,Data Aug,Anchor Free 和样本匹配(SimOTA)添加了一些新的改进思路,使其速度与精度都得到了极大的性能提升。
#应用场景
appScenario=推理,目标检测,交通,教育,化工
#框架类型
frameType=migraphx
\ No newline at end of file
Markdown is supported
0% or .
You are about to add 0 people to the discussion. Proceed with caution.
Finish editing this message first!
Please register or to comment