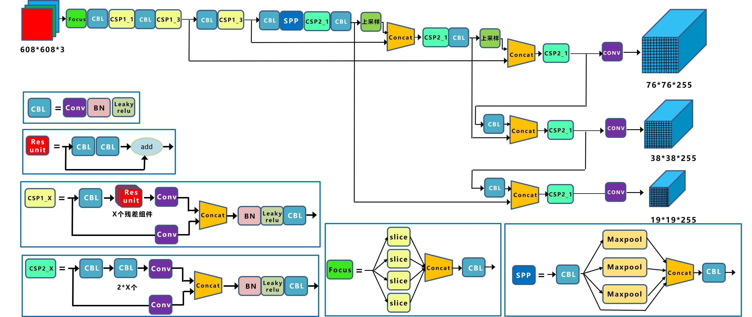
# YOLOV5检测器 YOLOV5模型是目前工业界使用较多的算法,官方提供了多个不同版本的预训练模型,本份文档主要介绍了如何基于migraphx构建YOLOV5动态shape推理,该示例推理流程对YOLOV5其他版本的模型同样适用。 ## 模型简介 YOLOV5是一种单阶段目标检测算法,该算法在YOLOV4的基础上添加了一些新的改进思路,使其速度与精度都得到了极大的性能提升。具体包括:输入端的Mosaic数据增强、自适应锚框计算、自适应图片缩放操作;主干网络的Focus结构与CSP结构;Neck端的FPN+PAN结构;输出端的损失函数GIOU_Loss以及预测框筛选的DIOU_nms。网络结构如图所示。 ## 检测器参数设置 samples工程中的Resource/Configuration.xml文件的DetectorYOLOV5节点表示YOLOV5检测器的参数,相关参数主要依据官方推理示例进行设置。各个参数含义如下: - ModelPath:yolov5模型存放路径 - ClassNameFile:coco数据集类别文件存放路径 - UseFP16:是否使用FP16推理模式 - NumberOfClasses:检测类别数量 - ConfidenceThreshold:置信度阈值,用于判断anchor内的物体是否为正样本 - NMSThreshold:非极大值抑制阈值,用于消除重复框 - ObjectThreshold:用于判断anchor内部是否有物体 ``` "../Resource/Models/YOLOV5s_Nx3xNxN.onnx" "../Resource/Models/coco.names" 0 80 0.25 0.5 0.5 ``` ## 模型初始化 模型初始化首先通过parse_onnx()函数加载YOLOV5的onnx模型,本示例构建YOLOV5动态shape推理,所以需要设置模型输入的最大shape,本示例设为{1,3,800,800},并可以通过program的get_parameter_shapes()函数获取网络的输入属性。完成模型加载之后需要使用compile()方法编译模型,编译模式使用migraphx::gpu::target{}设为GPU模式,编译过程主要基于MIGraphX IR完成各种优化。同时如果需要使用低精度量化进行推理,可以使用quantize_fp16()函数实现。 ``` ErrorCode DetectorYOLOV5::Initialize(InitializationParameterOfDetector initializationParameterOfDetector) { ... migraphx::onnx_options onnx_options; onnx_options.map_input_dims["images"]={1,3,800,800}; net = migraphx::parse_onnx(modelPath, onnx_options); LOG_INFO(stdout,"succeed to load model: %s\n",GetFileName(modelPath).c_str()); // 获取模型输入属性 std::unordered_map inputMap=net.get_parameter_shapes(); inputName=inputMap.begin()->first; inputShape=inputMap.begin()->second; int N=inputShape.lens()[0]; int C=inputShape.lens()[1]; int H=inputShape.lens()[2]; int W=inputShape.lens()[3]; inputSize=cv::Size(W,H); // 设置模型为GPU模式 migraphx::target gpuTarget = migraphx::gpu::target{}; // 量化 if(useFP16) { migraphx::quantize_fp16(net); } // 编译模型 migraphx::compile_options options; options.device_id=0; options.offload_copy=true; net.compile(gpuTarget,options); LOG_INFO(stdout,"succeed to compile model: %s\n",GetFileName(modelPath).c_str()); ... } ``` ## 预处理 在将数据输入到模型之前,需要对图像做如下预处理操作: 1. 转换数据排布为NCHW 2. 归一化[0.0, 1.0] 3. 将输入数据的尺寸变换到YOLOV5动态输入大小,relInputShape为每次实际inputshape ``` ErrorCode DetectorYOLOV5::Detect(const cv::Mat &srcImage, std::vector &relInputShape, std::vector &resultsOfDetection) { ... inputSize = cv::Size(relInputShape[3], relInputShape[2]); // 预处理并转换为NCHW cv::Mat inputBlob; blobFromImage(srcImage, // 输入数据 inputBlob, // 输出数据 1 / 255.0, //归一化 inputSize, //YOLOV5输入尺寸 Scalar(0, 0, 0), //未减去均值 true, //转换RB通道 false); ... } ``` ## 推理 完成图像预处理以及YOLOV5目标检测相关参数设置之后开始执行推理,利用migraphx推理计算得到YOLOV5模型的输出。 ``` ErrorCode DetectorYOLOV5::Detect(const cv::Mat &srcImage, std::vector &relInputShape, std::vector &resultsOfDetection) { ... // 创建输入数据 migraphx::parameter_map inputData; inputData[inputName]= migraphx::argument{migraphx::shape(inputShape.type(), relInputShape), (float*)inputBlob.data}; // 推理 std::vector inferenceResults = net.eval(inputData); // 获取推理结果 std::vector outs; migraphx::argument result = inferenceResults[0]; // 转换为cv::Mat migraphx::shape outputShape = result.get_shape(); int shape[]={outputShape.lens()[0],outputShape.lens()[1],outputShape.lens()[2]}; cv::Mat out(3,shape,CV_32F); memcpy(out.data,result.data(),sizeof(float)*outputShape.elements()); outs.push_back(out); ... } ``` YOLOV5的MIGraphX推理结果inferenceResults是一个std::vector< migraphx::argument >类型,YOLOV5的onnx模型包含一个输出,所以result等于inferenceResults[0],result包含三个维度:outputShape.lens()[0]=1表示batch信息,outputShape.lens()[1]=22743表示生成anchor数量,outputShape.lens()[2]=85表示对每个anchor的预测信息。同时可将85拆分为4+1+80,前4个参数用于判断每一个特征点的回归参数,回归参数调整后可以获得预测框,第5个参数用于判断每一个特征点是否包含物体,最后80个参数用于判断每一个特征点所包含的物体种类。获取上述信息之后进行anchors筛选,筛选过程分为两个步骤: - 第一步根据objectThreshold阈值进行筛选,大于该阈值则判断当前anchor内包含物体,小于该阈值则判断无物体 - 第二步根据confidenceThreshold阈值进行筛选,当满足第一步阈值anchor的最大置信度得分maxClassScore大于该阈值,则进一步获取当前anchor的坐标信息和预测物体类别信息,小于该阈值则不做处理。 ``` ErrorCode DetectorYOLOV5::Detect(const cv::Mat &srcImage, std::vector &relInputShape, std::vector &resultsOfDetection) { ... //获取先验框的个数 int numProposal = outs[0].size[1]; int numOut = outs[0].size[2]; //变换输出的维度 outs[0] = outs[0].reshape(0, numProposal); //生成先验框 std::vector confidences; std::vector boxes; std::vector classIds; float ratioh = (float)srcImage.rows / inputSize.height, ratiow = (float)srcImage.cols / inputSize.width; //计算cx,cy,w,h,box_sore,class_sore int n = 0, rowInd = 0; float* pdata = (float*)outs[0].data; for (n = 0; n < numProposal; n++) { float boxScores = pdata[4]; if (boxScores > yolov5Parameter.objectThreshold) { cv::Mat scores = outs[0].row(rowInd).colRange(5, numOut); cv::Point classIdPoint; double maxClassScore; cv::minMaxLoc(scores, 0, &maxClassScore, 0, &classIdPoint); maxClassScore *= boxScores; if (maxClassScore > yolov5Parameter.confidenceThreshold) { const int classIdx = classIdPoint.x; float cx = pdata[0] * ratiow; float cy = pdata[1] * ratioh; float w = pdata[2] * ratiow; float h = pdata[3] * ratioh; int left = int(cx - 0.5 * w); int top = int(cy - 0.5 * h); confidences.push_back((float)maxClassScore); boxes.push_back(cv::Rect(left, top, (int)(w), (int)(h))); classIds.push_back(classIdx); } } rowInd++; pdata += numOut; } ... } ``` 为了消除重叠锚框,输出最终的YOLOV5目标检测结果,执行非极大值抑制对筛选之后的anchor进行处理,最后保存检测结果到resultsOfDetection中。 ``` ErrorCode DetectorYOLOV5::Detect(const cv::Mat &srcImage, std::vector &relInputShape, std::vector &resultsOfDetection) { ... // 执行non maximum suppression消除冗余重叠boxes std::vector indices; cv::dnn::NMSBoxes(boxes, confidences, yolov5Parameter.confidenceThreshold, yolov5Parameter.nmsThreshold, indices); for (size_t i = 0; i < indices.size(); ++i) { int idx = indices[i]; int classID=classIds[idx]; string className=classNames[classID]; float confidence=confidences[idx]; cv::Rect box = boxes[idx]; //保存每个最终预测anchor的坐标值、置信度分数、类别ID ResultOfDetection result; result.boundingBox=box; result.confidence=confidence;// confidence result.classID=classID; // label result.className=className; resultsOfDetection.push_back(result); } ... } ```