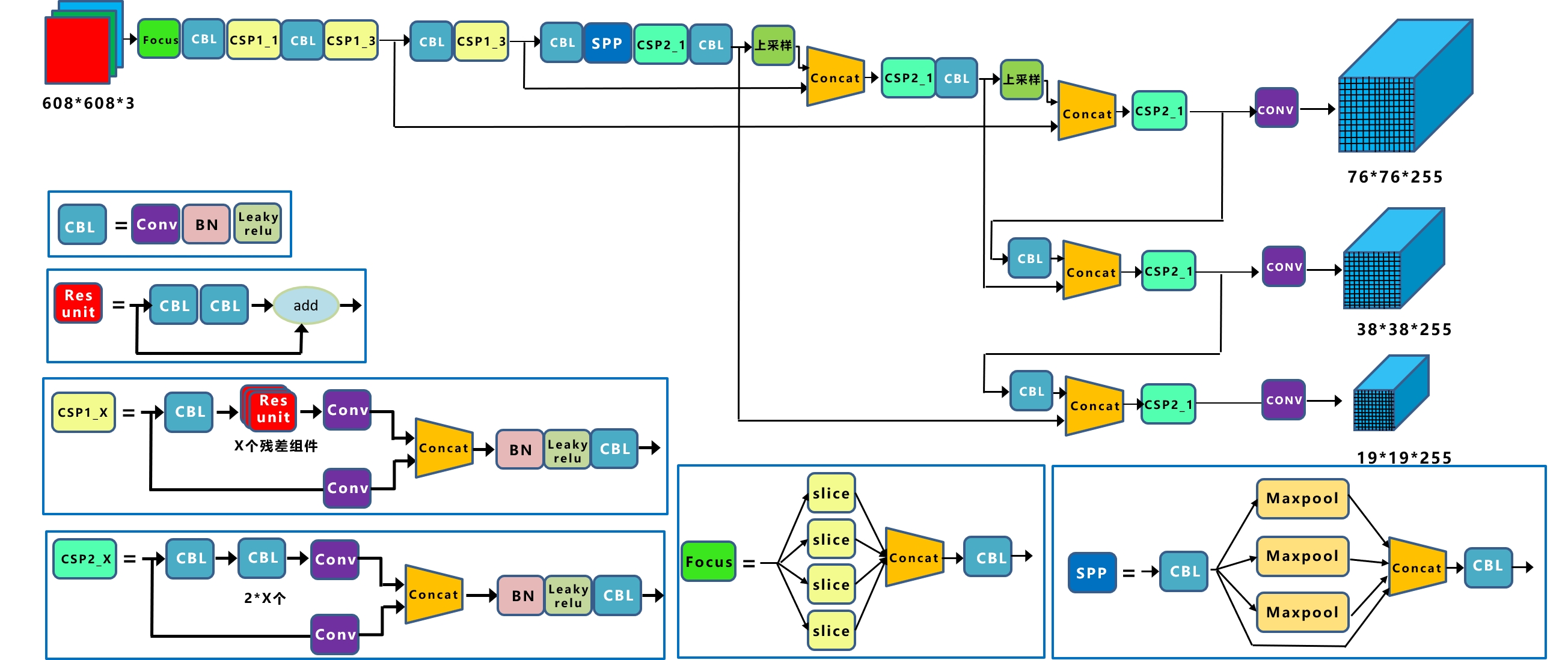
# YOLOV5检测器 本份文档主要介绍如何基于MIGraphX构建YOLOV5的动态shape推理Python示例,根据文档描述可以了解怎样运行该Python示例得到YOLOV5的目标检测结果。 ## 模型简介 YOLOV5是一种单阶段目标检测算法,该算法在YOLOV4的基础上添加了一些新的改进思路,使其速度与精度都得到了极大的性能提升。具体包括:输入端的Mosaic数据增强、自适应锚框计算、自适应图像缩放操作;主干网络的Focus结构与CSP结构;Neck端的FPN+PAN结构;输出端的损失函数GIOU_Loss以及预测框筛选的DIOU_nms。网络结构如图所示。 ## 预处理 待检测图像输入模型进行检测之前需要进行预处理,主要包括调整输入的尺寸,归一化等操作。 1. 转换数据排布为NCHW 2. 归一化[0.0, 1.0] 3. 调整输入数据的尺寸 ``` def prepare_input(self, image): self.img_height, self.img_width = image.shape[:2] input_img = cv2.cvtColor(image, cv2.COLOR_BGR2RGB) # 调整图像的尺寸 input_img = cv2.resize(input_img, (self.inputWidth, self.inputHeight)) # 维度转换HWC->CHW input_img = input_img.transpose(2, 0, 1) # 维度拓展,增加batch维度 input_img = np.expand_dims(input_img, 0) input_img = np.ascontiguousarray(input_img) input_img = input_img.astype(np.float32) # 归一化 input_img = input_img / 255 return input_img ``` ## 推理 执行YOLOV5模型推理,首先需要对YOLOV5模型进行解析、编译,静态推理过程中直接调用parse_onnx函数对静态模型进行解析,获取静态模型的输入shape信息;与静态推理不同的是,动态shape推理需要设置模型输入的最大shape,本示例设为[1,3,800,800]。 ``` class YOLOv5: def __init__(self, path, dynamic=False, obj_thres=0.5, conf_thres=0.25, iou_thres=0.5): self.objectThreshold = obj_thres self.confThreshold = conf_thres self.nmsThreshold = iou_thres self.isDynamic = dynamic # 获取模型检测的类别信息 self.classNames = list(map(lambda x: x.strip(), open('../Resource/Models/coco.names', 'r').readlines())) # 解析推理模型 if self.isDynamic: maxInput={"images":[1,3,800,800]} self.model = migraphx.parse_onnx(path, map_input_dims=maxInput) # 获取模型输入/输出节点信息 inputs = self.model.get_inputs() outputs = self.model.get_outputs() # 获取模型的输入name self.inputName = self.model.get_parameter_names()[0] # 获取模型的输入尺寸 inputShape = inputShape=inputs[self.inputName].lens() self.inputHeight = int(inputShape[2]) self.inputWidth = int(inputShape[3]) print("inputName:{0} \ninputShape:{1}".format(self.inputName, inputShape)) else: self.model = migraphx.parse_onnx(path) ... # 模型编译 self.model.compile(t=migraphx.get_target("gpu"), device_id=0) # device_id: 设置GPU设备,默认为0号设备 print("Success to compile") ... ``` 模型初始化完成之后开始进行推理,对输入数据进行前向计算得到模型的输出result,在detect函数中调用定义的process_output函数对result进行后处理,得到图像中含有物体的anchor坐标信息、类别置信度、类别ID。 ``` def detect(self, image, input_shape=None): if(self.isDynamic): self.inputWidth = input_shape[3] self.inputHeight = input_shape[2] # 输入图片预处理 input_img = self.prepare_input(image) # 执行推理 start = time.time() result = self.model.run({self.inputName: input_img}) print('net forward time: {:.4f}'.format(time.time() - start)) # 模型输出结果后处理 boxes, scores, class_ids = self.process_output(result) return boxes, scores, class_ids ``` 其中对migraphx推理输出result进行后处理,首先需要对生成的anchor根据是否有物体阈值objectThreshold、置信度阈值confThreshold进行筛选,相关过程定义在process_output函数中。获取筛选后的anchor的坐标信息之后,需要将坐标映射到原图中的位置,相关过程定义在rescale_boxes函数中。 ``` def process_output(self, output): predictions = np.squeeze(output[0]) # 筛选包含物体的anchor obj_conf = predictions[:, 4] predictions = predictions[obj_conf > self.objectThreshold] obj_conf = obj_conf[obj_conf > self.objectThreshold] # 筛选大于置信度阈值的anchor predictions[:, 5:] *= obj_conf[:, np.newaxis] scores = np.max(predictions[:, 5:], axis=1) valid_scores = scores > self.confThreshold predictions = predictions[valid_scores] scores = scores[valid_scores] # 获取最高置信度分数对应的类别ID class_ids = np.argmax(predictions[:, 5:], axis=1) # 获取每个物体对应的anchor boxes = self.extract_boxes(predictions) # 执行非极大值抑制消除冗余anchor indices = cv2.dnn.NMSBoxes(boxes.tolist(), scores.tolist(), self.confThreshold, self.nmsThreshold).flatten() return boxes[indices], scores[indices], class_ids[indices] def extract_boxes(self, predictions): # 获取anchor的坐标信息 boxes = predictions[:, :4] # 将anchor的坐标信息映射到输入image boxes = self.rescale_boxes(boxes) # 格式转换 boxes_ = np.copy(boxes) boxes_[..., 0] = boxes[..., 0] - boxes[..., 2] * 0.5 boxes_[..., 1] = boxes[..., 1] - boxes[..., 3] * 0.5 return boxes_ def rescale_boxes(self, boxes): # 对anchor尺寸进行变换 input_shape = np.array([self.inputWidth, self.inputHeight, self.inputWidth, self.inputHeight]) boxes = np.divide(boxes, input_shape, dtype=np.float32) boxes *= np.array([self.img_width, self.img_height, self.img_width, self.img_height]) return boxes ``` 根据获取的detect函数输出的boxes、scores、class_ids信息在原图进行结果可视化,包括绘制图像中检测到的物体位置、类别和置信度分数,得到最终的YOLOV5目标检测结果输出。 ``` def draw_detections(self, image, boxes, scores, class_ids): for box, score, class_id in zip(boxes, scores, class_ids): cx, cy, w, h = box.astype(int) # 绘制检测物体框 cv2.rectangle(image, (cx, cy), (cx + w, cy + h), (0, 255, 255), thickness=2) label = self.classNames[class_id] label = f'{label} {int(score * 100)}%' labelSize, baseLine = cv2.getTextSize(label, cv2.FONT_HERSHEY_SIMPLEX, 0.5, 1) cv2.putText(image, label, (cx, cy - 10), cv2.FONT_HERSHEY_SIMPLEX, 1, (0, 255, 255), thickness=2) return image ```